No MWC 2025, a startup australiana Cortical Labs revelou o primeiro computador de mesa do mundo, o CL1, alimentado por células cerebrais humanas vivas. O sistema exclusivo mantém a viabilidade das células e promove seu desenvolvimento por meio do processo de autoaprendizagem. O computador funciona de forma autônoma, sem necessidade de conexão com dispositivos de computação clássicos. Espera-se que a inteligência artificial nessas plataformas não seja apenas mais eficiente em termos de energia, mas também intelectualmente avançada.

A Cortical Labs foi fundada em Melbourne em 2019 e desde então vem desenvolvendo uma plataforma híbrida de célula-silício em colaboração com cientistas da Universidade Monash, na Austrália. Em cálculos que exigem operações matemáticas complexas, o cérebro humano é inferior aos processadores de silício tradicionais. De acordo com pesquisas recentes, o cérebro humano funciona mais lentamente que um processador de 50 anos.

Entretanto, em tarefas que envolvem busca intuitiva por soluções, a inteligência humana ainda permanece inigualável. Foi somente no verão de 2022 que o sistema de computador de 630 metros quadrados e US$ 600 milhões da Frontier superou os humanos em cálculos intuitivos pela primeira vez. Isso prova que é muito cedo para descartar sistemas de computação biológica.

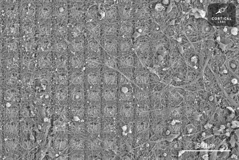
A primeira conquista significativa da Cortical Labs foi o processador híbrido DishBrain, baseado em uma matriz CMOS e uma colônia de neurônios. Ele foi treinado para jogar Pong cultivando neurônios em uma grade de eletrodos e então estimulando-os com microcorrentes, recompensando acertos e “punindo” erros. Esse método possibilitou a formação de conexões neurais estáveis que levam à autoaprendizagem.

Desde então, a empresa melhorou significativamente sua plataforma e agora está pronta para a produção em massa de computadores híbridos. O primeiro modelo CL1, apresentado no MWC 2025 em Barcelona, é um biorreator – um sistema de suporte de vida para colônias de tecido neural crescendo em um chip de silício. O número exato de células e sua configuração não podem ser previstos com antecedência, mas o termo UFC (unidades formadoras de colônias) está previsto para ser usado na descrição técnica.
Os desenvolvedores admitem que não entendem completamente em quais células seu processador biológico consiste e em quais proporções elas devem estar presentes. Atualmente, a empresa usa dois métodos para cultivar tecido neural artificial: obtenção de células-tronco pluripotentes induzidas (iPSCs) de sangue de roedores e humanos e modificações genéticas. Entretanto, o controle preciso desses processos ainda é inatingível, o que leva à variabilidade nos resultados.

Apesar disso, a tecnologia já está pronta para implementação comercial. A Cortical Labs planeja começar a enviar o CL1 no segundo semestre de 2025. O custo esperado de um computador é de US$ 35.000, o que é aproximadamente 2,5 vezes mais barato que produtos similares. No final do ano, a empresa lançará o acesso à nuvem para o cluster CL1, que inclui quatro seções de 30 computadores cada. Esta será a primeira experiência de combinação de biocomputadores em um cluster, e seus resultados ainda são difíceis de prever. Essa incerteza está assustando os investidores, mas vendas bem-sucedidas podem restaurar a confiança na comunidade financeira.
Tanto os dispositivos individuais quanto o cluster de nuvem são vistos pela empresa como um experimento. Os desenvolvedores ainda não têm uma ideia clara de como exatamente o sistema deve funcionar e em quais áreas ele será mais eficaz. Idealmente, os biocomputadores serão capazes de consumir menos energia e executar modelos generativos mais rapidamente. Por exemplo, o consumo de energia de um rack feito de CL1 será de cerca de 1 kW – significativamente menor que o de servidores clássicos.

Neurônios DishBrain crescendo em um conjunto de eletrodos. Fonte da imagem: Cortical Labs
Além das tarefas computacionais, os computadores biológicos podem se tornar uma plataforma para testar novos medicamentos para doenças neurodegenerativas. Testar em humanos vivos não é ético, e usar colônias de células nervosas em computadores pode ser um método de pesquisa alternativo. Essa direção pode provar ser a aplicação mais valiosa da nova tecnologia, já que, em última análise, a saúde humana é o que mais importa.